地球千萬年來的積累,讓地殼中蘊藏了大量具有經濟價值且幾乎任何不能由農業生產的原始物質。由于這些物質基本都是由礦物提供的,因此采礦業成為了當今世界上最重要的產業之一。對許多國家來說,采礦業也是推動經濟發展的主要產業之一。
然而,采礦業并不是那么美好的行業,最被人們關心的就是礦工的安全問題,他們的工作中隨時面臨著大量的危險。有資料顯示,我國目前煤礦事故中1/2以上為瓦斯爆炸事故,爆炸產生的高溫高壓能促使爆炸附近的氣體以極大的速度向外沖擊,造成人員傷亡。因此為了預防這些災害的發生,能夠檢測氣體濃度及所含成分的半導體陶瓷氣敏傳感器就被派上了用場。

氣敏傳感器的材料及保護原理
半導體陶瓷氣體敏感材料是對環境氣氛中的某些氧化性氣體、還原性氣體或有機溶劑蒸汽十分敏感,這些氣體在材料表面的吸附和脫附會引起材料電學性質(例如電阻率)的明顯改變,從而達到報警的目的。由于對氣體具有敏感性,所以這類半導體材料得名為半導體氣敏材料,半導體氣敏材料可廣泛應用于對可燃性氣體和有毒性氣體的檢測、檢漏、報警和監控等領域,由于這類材料大都是半導體陶瓷,所以我們又常常稱其為氣敏陶瓷。
氣敏電阻的材料是金屬氧化物,制作上通過化學計量比的偏離的雜質缺陷制成的。金屬氧化物半導體分為N型半導體(如SnO2,Fe2O3等)和P型半導體(如COO,PbO)等。為了提高某種氣敏電阻對某些氣體成分的選擇性和靈敏度,合成這些材料時,還摻入催化劑,如鈀(Pd),鉑(Pt)等。
具體的檢測原理
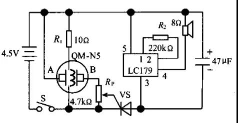
當半導體器件被加熱到穩定狀態,在氣體接觸半導體陶瓷表面而被吸附時,被吸附的分子首先在表面自由擴散,失去運動能量,一部分分子被蒸發掉,另一部分殘留分子產生熱分解而固定在吸附處時,如果半導體的功函數大于吸附分子的離解能,吸附分子將向器件釋放電子,而形成正離子吸附。如H2、CO、碳氫化合物等,被稱為還原型氣體。當還原型氣體吸附到N型半導體上時,載流子增多,使半導體電阻值下降。利用這種半導體氣敏傳感器和相應的電路即可構成礦井瓦斯超限報警電路,可見下圖。

礦井瓦斯超限報警電路
半導體陶瓷氣體傳感器在煤礦中的應用
在礦井這種密閉環境中,一旦發生一些磕磕碰碰,泄露出來的瓦斯極有可能會對曠工們造成極大的人身安全威脅,半導體氣敏傳感器就是檢測環境中是否存在危險氣體的一種重要手段。另外氣體傳感器也可以用于井下火災檢測,確保礦工在井下工作時不會因發生火災而被困。在煤礦工作中,隨時都有可能發生陰燃(冒煙火災),其特點是二氧化碳和乙烯的釋放,而半導體氣敏傳感器可以很快捷地檢測倒任何冒煙的跡象,提醒工人滅火或撤離該區域,因此這些傳感器的引入有助于最大限度地減少地下工人因火災被困而導致死亡。
目前這類傳感器在大型煤礦生產的檢測過程中已有應用,在井下工作面安裝該傳感器后,若環境瓦斯濃度超過1.5%,將會發出報警信號,若瓦斯濃度超過2%,將會自動切斷生產工作面的電源,停止生產后加緊通風,即可迅速降低瓦斯濃度,從而達到防治瓦斯超限的問題。
資料來源:
氣敏傳感器的原理及在預防煤礦瓦斯爆炸中的作用,楊李根。 轉載自:粉體圈